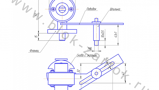
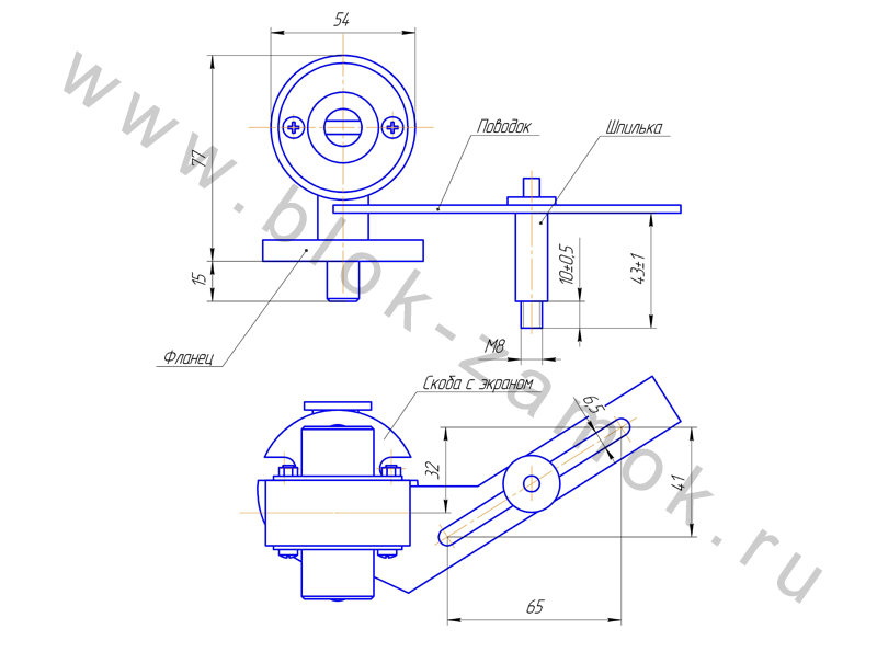
Поворотный замок ЗП (МБГ-32П)
Аналогичен двухключевому замку МБГ-32 по оперированию с ключами. Отличие заключается в том, что упрощается установка данного замка на привод коммутационного аппарата. Примером, может служить установка данного замка на привод ПРГ, ПРМ, ПРБ, и другие. Поворотный замок имеет уменьшенный фланец без прорезей, удерживаемый скобой таким образом, чтобы замок с фланцем мог поворачиваться. Скоба снабжена экраном и крепится к приводу посредством винтов. Кроме того, для поворота замка, к нему приваривается поводок с прорезью для ведущей шпильки. Экран скобы замка типа 32П не допускает выбирания из замка ключа, обращенного в сторону экрана, но не препятствует повороту замка с ключом при переводе рукоятки привода и повороту ключей при запирании замка в крайних положениях разъединителя.
Аналогичен двухключевому замку МБГ-32.
